TYPY KARTÁČŮ
- Válcové kartáče – rotační kartáče
- Diskové kartáče
- Laťové kartáče
- Flexibilní kartáčové lišty
- Kartáčové hlavy
- Točené kartáče
- Kartáčové těsnící lišty
- Spirálové kartáče - vnější
- Spirálové kartáče - vnitřní
- Průmyslové smetáčky, košťata, šrubry
KARTÁČE NA KONKRÉTNÍ APLIKACE
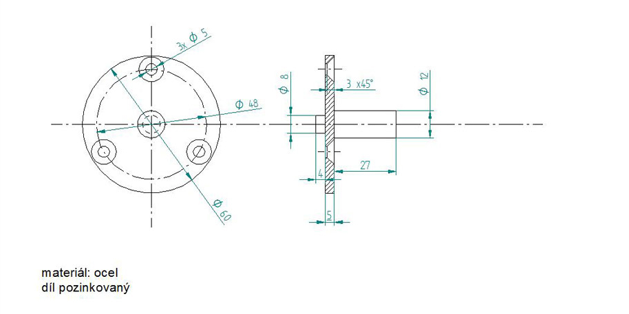
Diskové kartáče
Sériová výroba Zakázková výroba Technologie Fotogalerie
Diskové kartáče jsou používány pro odjehlování, leštění, ale také čištění a mytí ploch. Dalším využitím tohoto typu kartáče je pro komunální a úklidovou techniku. Pro konkrétní způsob použití jsou vždy zvoleny vhodné materiály tělesa a vlákna (tzv. osazovací materiál).
Diskové kartáče jsme schopni nabídnout se sériovými typy unašečů pr. 30 mm a pr. 60mm a závitem M10 pravý.










